Перейти к содержимому

  • Щомыслицкий с/с, АД Р1 "Брест-Минск",
    9-ый км, территория заправки А100
  • Режим работы
График работы

  • Понедельник
    9:00 – 17:30
  • Вторник
    9:00 – 17:30
  • Среда
    9:00 – 17:30
  • Четверг
    9:00 – 17:30
  • Пятница
    9:00 – 17:30
  • Суббота
    10:00 – 16:00
  • Воскресенье
    Выходной
  • Щомыслицкий с/с, АД Р1 "Брест-Минск",
    9-ый км, территория заправки А100

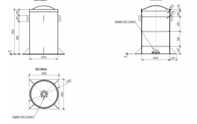
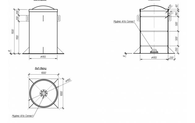
Кессон Alta Kesson А 1500 без горловины

Общие характеристики
  • Размер рабочей камеры, мм (Диаметр х Высота)
    955
  • Толщина основания, мм
    8
  • Габариты (Ширина × Высота, мм)
    1000 × 1500
  • Вес, кг
    53
О товаре
  • Страна производитель
    Россия
  • Гарантия, месяцев
    36

Пластиковый кессон для обустройства системы водоснабжения

Пластиковый кессон используют для обустройства системы водоснабжения загородного дома, дачи, коттеджа. Он облегчает доступ к оборудованию водоснабжения, обеспечивающего подачу и распределение воды из скважины или водоснабжающего колодца. Пластиковый кессон препятствует проникновению нежелательных вибраций и шумов при работе наносного оборудования в жилые помещения. Изолирует устье скважины от возможного попадания в неё грунтовых или сточных вод, а также промерзания в зимний период.
  • Кессон Alta Kesson A 1500 не подвержен коррозии и не требует дополнительного ухода во время всего срока эксплуатации – по сравнению с металлоконструкциями склонными к ржавлению без периодической обработки спецсредствами.
  • Кессон Alta Kesson A 1500 изготовлен из легкого пластика, поэтому, в отличие от железобетонного или стального, не требует монтажа строительной техникой.
  • Пластиковый кессон Alta Kesson A 1500 оснащен внутренними ребрами жесткости и не уступает по прочности кессонам из других материалов.
  • Кессоны для скважины снабжены анкерными проушины и «монтажными юбками», предотвращающими всплытие кессонов при высоком уровне грунтовых вод.
Дополнительно для пластикового кессона:(не входит в стандартный комплект пластикового кессона)
  • Крышки кессонов Alta Kesson A 1500 могут быть снабжены замочными проушинами для навесных замков.
  • Для удобства обслуживания кессоны Alta Kesson A 1500 для скважины могут быть оснащены внутренней лестницей с раскладной надземной частью, облегчающей спуск.
  • В кессон Alta Kesson A 1500 может быть установлена муфта Alta Connect обеспечивающая свободное отклонение скважинной трубы на 45 градусов от оси и продольное смещение трубы в муфте без потери герметичности.
  • Кессон Alta Kesson A 1500 может быть укомплектован гермовводом для заведения электрокабеля.

Получите бесплатно книгу в Viber

Зполните форму, что бы мы вам прислали книгу

Полезные статьи

Наша компания была образована в 2015 году. Именно тогда мы начали заниматься продажей и монтажом систем канализации. Мы постоянно…
Наша компания была образована в 2015 году. Именно тогда мы начали заниматься продажей и монтажом систем канализации. Мы постоянно…
Наша компания была образована в 2015 году. Именно тогда мы начали заниматься продажей и монтажом систем канализации. Мы постоянно…